|
|||
|
|||
|
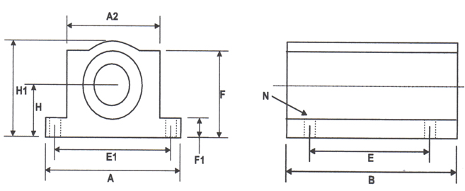
CLOSED TWIN Pillow Block Bearings |
|
| Part Number |
d Nominal Shaft Diameter |
H +/- .003 |
H1 | A | A2 | B | E | E1 | F | F1 |
N
|
Mass (Lbs.) |
Load Rating | ||
| TWN8B | .500 | .687 | 1.250 | 2.00 | 1.38 | 3.50 | 1.000 | .8750/.8755 | 1.13 | .250 |
|
.40 | 510 | ||
| TWN10B | .625 | .875 | 1.630 | 2.50 | 1.75 | 4.00 | 1.125 | 1.1250/1.1255 | 1.44 | .280 |
|
1.00 | 900 | ||
| TWN12B | .750 | .937 | 1.75 | 2.75 | 1.88 | 4.50 | 1.250 | 1.2500/1.2505 | 1.56 | .310 |
|
1.20 | 1200 | ||
| TWN16B | 1.00 | 1.187 | 2.19 | 3.25 | 2.38 | 6.00 | 1.750 | 1.5624/1.5630 | 1.94 | .381 |
|
2.40 | 2100 | ||
| TWN20B | 1.25 | 1.500 | 2.81 | 4.00 | 3.00 | 7.50 | 2.000 | 2.0000/2.0010 | 2.50 | .440 |
|
5.00 | 3000 | ||
| TWN24B | 1.50 | 1.750 | 3.25 | 4.75 | 3.50 | 9.00 | 2.500 | 2.3740/2.3760 | 2.88 | .500 |
|
7.80 | 4000 |
|
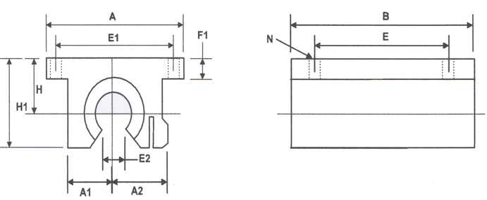
OPEN TWIN Pillow Block Bearings
|
| Part Number |
d Nominal Shaft Diameter |
H +/- .003 |
H1 | A | A2 | A1 | B | E | E1 | E2 | F1 |
N
|
Mass (Lbs.) |
Load Rating | ||
| TWN8OPB | .500 | .687 | 1.13 | 2.00 | .750 | .69 | 3.50 | 1.000 | 1.688 | .31 | .250 |
|
.4 | 460 | ||
| TWN10OPB | .625 | .875 | 1.44 | 2.50 | .940 | .88 | 4.00 | 1.125 | 2.125 | .37 | .280 |
|
.8 | 640 | ||
| TWN12OPB | .750 | .937 | 1.56 | 2.75 | 1.00 | .94 | 4.50 | 1.250 | 2.375 | .43 | .310 |
|
1.0 | 940 | ||
| TWN16OPB | 1.00 | 1.187 | 2.00 | 3.25 | 1.250 | 1.19 | 6.00 | 1.750 | 2.875 | .56 | .381 |
|
2.0 | 1560 | ||
| TWN20OPB | 1.25 | 1.500 | 2.56 | 4.00 | 1.63 | 1.50 | 7.500 | 2.000 | 3.500 | .62 | .440 |
|
4.2 | 2340 | ||
| TWN24OPB | 1.50 | 1.750 | 3.94 | 4.75 | 1.88 | 1.75 | 9.00 | 2.500 | 4.125 | .75 | .500 |
|
6.7 | 3120 |