LUBRICATION
BLACK RACER Ceramic Coated Linear Bearings require constant lubrication. High system speeds or rapid oscillation applications may perform better with SAE 30 weight oil. Moderate to slow speeds typically use light greases such as lithium stearates. The only lubricants not compatible with Ceramic Coated Bearings are those that are silicon based. Silicon based lubricants become gummy and can lead to bearing seizure.

Black Racer Ceramic Coated Linear Bearings
Excel in applications that present:

  • High acceleration and blazing system speeds - Over 120 g's successful operation

  • Simultaneous linear, oscillating and rotary motion in 1 bearing

  • Contamination -  glass, metal shavings, abrasive dust

  • High Loads are Present - 10x's more than linear ball bearings

  • Water, Chemical Washdown/Submersion

  • Shock & Vibration - Dampens Vibration to Shaft & System

  • Smooth, Quiet Linear Motion is Required - Medical/Office

  • Linear & Rotary Motion Together are Required

  • Shaft Friendly Linear Motion is Required - will not groove shafting

  • FDA Compliant when used with a FDA Compliant Grease



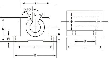
Ordering Part Number Sample: 1/4" Open Pillow Block
For Self Aligning Bearing add (SA) to Part Number

LXPB 408-6 SA

LM76 Linear Motion Bearings are direct drop-in replacements for linear ball bearings

Part Number
OPEN
Inch
Pillow Blocks
Shaft
Diameter
Class L
Tolerance

Shaft
Tolerance
Max

A
+/-
.003

B

C

D

E
+/-
.010

F
+/-
.010

G

Bolt Hole

K L
Min
M
Min
LXPB 408-6   1/4"

0.2495

.437

1-5/8

1-3/16

13/16

1.312

.750

1

#6-5/32

3/4 3/32 3/16
LXPB 610-7 3/8"

0.3745

.500

1-3/4

1-5/16

15/16

1.437

.875

1-1/8

#6-5/32

7/8 9/64 3/16
LXPB 814-10 1/2"

0.4995

.687

2

1-11/16

1-1/4

1.688

1.000

1-3/8

#6-5/32

1-1/8 5/16 1/4
LXPB 1018-12 5/8"

0.6245

.875

2-1/2

1-15/16

1-5/8

2.125

1.125

1-3/4

#8-3/16

1-7/16 3/8 9/32
LXPB 1220-13 3/4"

0.7495

.937

2-3/4

2-1/16

1-3/4

2.375

1.250

1-7/8

#8-3/16

1-9/16 7/16 5/16
LXPB 1625-18 1"

0.9995

1.187

3-1/4

2-13/16

2-3/16

2.875

1.750

2-3/8

#10-7/32

2 9/16 3/8
LXPB 2032-21 1-1/4"

1.2495

1.500

1.500

3-5/8

2-13/16

3.500

2.000

3

#10-7/32

2-1/2 5/8 7/16
LXPB 2438-24 1.5"

1.4994

1.750

4-3/4

4

3-1/4

4.125

2.500

3-1/2

1/4-9/32

2-7/8 3/4 1/2
LXPB 3248-32 2"

2.9904

2.125

6

5

4-1/16

5.250

3.250

4-1/2

3/8-13/32

3-5/8 1 5/8