JET
Rail Roller Blocks
There is no standard off-the-shelf
direct drop-in replacement
for all open single
and twin linear ball bearing pillow
blocks. Jet Rail's open architecture and sealed roller design
allow for smooth, low resonance/noise, lightweight, high
speed linear motion.
Unlike linear ball bearings that include debris which can
lead to premature failure, Jet Rail's
open features and sealed rollers inhibit the accumulation of
debris and contaminants.
Make sure you have us quote your
linear shafting needs along with our bearings!
 |
LM76 JET Rail Roller Blocks
successfully endure debris such as saw
dust, lint and other contaminants via a beryllium copper scraper
which clears debris from in front of the top
roller.
see more here |
Jet Rail
Roller Blocks are direct drop-in replacements for all inch
linear ball bushing open pillow block assemblies that run on supported shafting.
They
provide low friction, quiet/smooth operation and do well in contaminated environments.
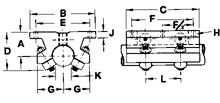
SINGLE PILLOW BLOCKS

|
JET RAIL
Part Number |
SHAFT
DIA |
DYN.
LOAD |
JET RAIL
DIMENSIONS |
|
WGT. |
A |
B |
C |
D |
E |
F |
G |
BOLT |
HOLE |
J |
K |
|
JRS-8-OPN |
1/2 |
400 |
.4 |
.687 |
2 |
1-1/2 |
1-5/32 |
1.688 |
1.000 |
1 |
#6 |
5/32 |
.240 |
5/16 |
|
JRS-10-OPN |
5/8 |
500 |
.5 |
.875 |
2-1/2 |
1-3/4 |
1-13/32 |
2.125 |
1.125 |
1-1/16 |
#8 |
3/16 |
.270 |
3/8 |
|
JRS-12-OPN |
3/4 |
600 |
.6 |
.937 |
2-3/4 |
1-7/8 |
1-9/16 |
2.375 |
1.250 |
1-1/16 |
#8 |
3/16 |
.300 |
7/16 |
|
JRS-16-OPN |
1 |
955 |
1 |
1.187 |
3-1/4 |
2-5/8 |
2 |
2.875 |
1.750 |
1-3/8 |
#10 |
7/32 |
.360 |
11/16 |
|
JRS-20-OPN |
1-1/4 |
1400 |
2 |
1.500 |
4 |
3-3/8 |
2-9/16 |
3.500 |
2.000 |
1-3/4 |
#10 |
7/32 |
.424 |
13/16 |
|
JRS-24-OPN |
1-1/2 |
1660 |
2.8 |
1.750 |
4-3/4 |
3-3/4 |
2-7/8 |
4.125 |
2.500 |
1-7/8 |
1/4 |
9/32 |
.474 |
1-1/16 |
|
JRS-32-OPN |
2 |
2400 |
5 |
2.125 |
6 |
4-3/4 |
3-5/8 |
5.250 |
3.250 |
2-1/2 |
3/8 |
13/32 |
.600 |
1-3/8 |
|
JRS-48-OPN |
3 |
6260 |
14 |
3.500 |
8-3/8 |
5-1/2 |
5-1/2 |
7.000 |
4.000 |
3-5/8 |
5/8 |
21/32 |
1.000 |
2-1/8 |
DOUBLE PILLOW BLOCKS

Note:
Twice
the load capacity as the single (SPB), same footprint
JET RAIL
Part Number |
SHAFT
DIA |
DYN.
LOAD |
JET RAIL DIMENSIONS |
| WGT. |
A |
B |
C |
D |
E |
F |
G |
BOLT |
HOLE |
J |
K |
L |
|
JRD-8-OPN |
1/2 |
800 |
.5 |
.687 |
2 |
2 |
1-5/32 |
1.688 |
1.625 |
1 |
#6 |
5/32 |
.240 |
5/16 |
.494 |
|
JRD-10-OPN |
5/8 |
1000 |
.7 |
.875 |
2-1/2 |
2-1/2 |
1-13/32 |
2.125 |
2.000 |
1-1/16 |
#8 |
3/16 |
.270 |
3/8 |
.562 |
|
JRD-12-OPN |
3/4 |
1200 |
.8 |
.937 |
2-3/4 |
2-5/8 |
1-9/16 |
2.375 |
1.250 |
1-1/16 |
#8 |
3/16 |
.300 |
7/16 |
.562 |
|
JRD-16-OPN |
1 |
1910 |
1.2 |
1.187 |
3-1/4 |
2-5/8 |
2 |
2.875 |
1.750 |
1-3/8 |
#10 |
7/32 |
.360 |
11/16 |
.720 |
|
JRD-20-OPN |
1-1/4 |
2800 |
2.3 |
1.500 |
4 |
3-3/8 |
2-9/16 |
3.500 |
2.000 |
1-3/4 |
#10 |
7/32 |
.424 |
13/16 |
.812 |
|
JRD-24-OPN |
1-1/2 |
3320 |
3 |
1.750 |
4-3/4 |
3-3/4 |
2-7/8 |
4.125 |
2.500 |
1-7/8 |
1/4 |
9/32 |
.474 |
1-1/16 |
.937 |
|
JRD-32-OPN |
2 |
4800 |
5.5 |
2.125 |
6 |
4-3/4 |
3-5/8 |
5.250 |
3.250 |
2-1/2 |
3/8 |
13/32 |
.600 |
1-3/8 |
1.062 |
|
JRD-48-OPN |
3 |
12500 |
20 |
3.500 |
8-3/8 |
7-1/4 |
5-1/2 |
7.000 |
5.875 |
3-5/8 |
5/8 |
21/32 |
1.000 |
2-1/8 |
2.020 |
TWIN PILLOW BLOCKS

Note: Same
load capacity as the double roller (DPB), twin footprint
JET RAIL
Part Number |
SHAFT
DIA. |
DYN.
LOAD |
JET RAIL DIMENSIONS |
| WGT. |
A |
B |
C |
D |
E |
F |
G |
BOLT |
HOLE |
J |
K |
L |
|
JRT-8-OPN |
1/2 |
800 |
.8 |
.687 |
2 |
3-1/2 |
1-5/32 |
1.688 |
2.500 |
1 |
#6 |
5/32 |
.240 |
5/16 |
1.500 |
|
JRT-10-OPN |
5/8 |
1000 |
1.0 |
.875 |
2-1/2 |
4 |
1-13/32 |
2.125 |
3.000 |
1-1/16 |
#8 |
3/16 |
.270 |
3/8 |
2.125 |
|
JRT-12-OPN |
3/4 |
1200 |
1.2 |
.937 |
2-3/4 |
4-1/2 |
1-9/16 |
2.375 |
3.500 |
1-1/16 |
#8 |
3/16 |
.300 |
7/16 |
2.500 |
|
JRT-16-OPN |
1 |
1910 |
2.3 |
1.187 |
3-1/4 |
6 |
2 |
2.875 |
4.500 |
1-3/8 |
#10 |
7/32 |
.360 |
11/16 |
3.750 |
|
JRT-20-OPN |
1-1/4 |
2800 |
4.4 |
1.500 |
4 |
7-1/2 |
2-9/16 |
3.500 |
5.500 |
1-3/4 |
#10 |
7/32 |
.424 |
1-3/16 |
4.625 |
|
JRT-24-OPN |
1-1/2 |
3320 |
6.5 |
1.750 |
4-3/4 |
9 |
2-7/8 |
4.125 |
6.500 |
1-7/8 |
1/4 |
9/32 |
.474 |
1-1/16 |
5.500 |
|
JRT-32-OPN |
2 |
4800 |
12.4 |
2.125 |
6 |
12 |
3-5/8 |
5.250 |
10.500 |
2-1/2 |
3/8 |
13/32 |
.600 |
1-3/8 |
8.250 |
METRIC SINGLE PILLOW BLOCKS
|
JET RAIL
Part Number |
SHAFT
DIA. |
DYN.
LOAD |
JET RAIL DIMENSIONS |
| WGT. |
A |
B |
C |
D |
E |
F |
G |
BOLT |
HOLE |
J |
K |
|
JRMS-16-0PN |
16 MM |
500 |
.5 |
.877 |
2-1/2 |
1-3/4 |
1-13/32 |
2.125 |
1.125 |
15/16 |
#8 |
3/16 |
.270 |
3/8 |
|
JRMS-20-OPN |
20 MM |
600 |
.6 |
.956 |
2-3/4 |
1-7/8 |
1-9/16 |
2.375 |
1.250 |
1-1/16 |
#8 |
3/16 |
.300 |
7/16 |
|
JRMS-25-OPN |
25 MM |
955 |
1 |
1.179 |
3-1/4 |
2-5/8 |
2 |
2.875 |
1.750 |
1-3/8 |
#10 |
7/32 |
.360 |
11/16 |
|
JRMS-30-OPN |
30 MM |
1400 |
2 |
1.465 |
4 |
3-3/8 |
2-9/16 |
3.500 |
2.000 |
1-3/4 |
#10 |
7/32 |
.424 |
13/16 |
METRIC DOUBLE PILLOW BLOCKS
JET RAIL
Part Number |
SHAFT
DIA. |
DYN.
LOAD |
JET RAIL DIMENSIONS |
| WGT. |
A |
B |
C |
D |
E |
F |
G |
BOLT |
HOLE |
J |
K |
L |
|
JRMD-16-OPN |
16 MM |
1000 |
.7 |
.877 |
2-1/2 |
2-1/2 |
1-13/32 |
2.125 |
2.000 |
15/16 |
#8 |
3/16 |
.270 |
3/8 |
.562 |
|
JRMD-20-OPN |
20 MM |
1200 |
.8 |
.956 |
2-3/4 |
2-5/8 |
1-9/16 |
2.375 |
1.250 |
1-1/16 |
#8 |
3/16 |
.300 |
7/16 |
.562 |
|
JRMD-25-OPN |
25 MM |
1910 |
1.2 |
1.179 |
3-1/4 |
2-5/8 |
2 |
2.875 |
1.750 |
1-3/8 |
#10 |
7/32 |
.360 |
11/16 |
.720 |
|
JRMD-30-OPN |
30 MM |
2800 |
3 |
1.465 |
4 |
3-3/8 |
2-9/16 |
3.500 |
2.000 |
1-3/4 |
#10 |
7/32 |
.424 |
13/16 |
.812 |
METRIC TWIN PILLOW BLOCKS
JET RAIL
Part Number |
SHAFT
DIA. |
DYN.
LOAD |
JET RAIL DIMENSIONS |
| WGT. |
A |
B |
C |
D |
E |
F |
G |
BOLT |
HOLE |
J |
K |
L |
|
JRMT-16-OPN |
16 MM |
1000 |
1 |
.877 |
2-1/2 |
4 |
1-13/32 |
2.125 |
3.000 |
15/16 |
#8 |
3/16 |
.270 |
3/8 |
2.125 |
|
JRMT-20-OPN |
20 MM |
1200 |
1.2 |
.956 |
2-3/4 |
4-1/2 |
1-9/16 |
2.375 |
3.500 |
1-1/16 |
#8 |
3/16 |
.300 |
7/16 |
2.500 |
|
JRMT-25-OPN |
25 MM |
1910 |
2.3 |
1.179 |
3-1/4 |
6 |
2.0 |
2.875 |
4.500 |
1-3/8 |
#10 |
7/32 |
.360 |
11/16 |
3.750 |
|
JRMT-30-OPN |
30 MM |
2800 |
4.4 |
1.465 |
4 |
7-1/2 |
2-9/16 |
3.500 |
5.500 |
1-3/4 |
#10 |
7/32 |
.424 |
13/16 |
4.625 |
1-800-513-3163
413-525-4166 Fax: 413-525-3735
Ball Bushings Linear Ball Bashings
Linear Ball Bearings Thomson Linear NOOK
|