Minuteman Self Lubricating Linear Bearings are self lubricating and because our
PTFE Composite has no abrasive fillers, it can run on RC60, soft 300 series stainless and aluminum.

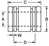
W dimension upon request

For Self Aligning Bearings
use the suffix
SA Example

L

408-6

SLSA

LM76 Linear Motion Bearings are direct drop-in replacements for linear ball bearings

Part Number
CLOSED

Nominal
Bearing
Size
 

Working
Bore

A

ID Bore
Tolerance

-  .000
+

Outside
Diameter

B

OD
Tolerance

+ .000
-

Bearing
Length

C

Length
Tolerance

+ .000
-

Distance
Between Retaining
Ring Grooves
D

Distance
Between
O-Ring
Grooves

E

Bearing
Weight
LBS.

L408-6SL 1/4"

0.2505

0.0010

0.5000

0.0010

0.750

0.015

0.437

0.018

0.009

L610-7SL 3/8"

0.3755

0.0010

0.6250

0.0010

0.875

0.015

0.562

0.260

0.016

L814-10SL 1/2"

0.5005

0.0010

0.8750

0.0010

1.250

0.015

0.875

0.490

0.041

L1018-12SL 5/8"

0.6255

0.0010

1.1250

0.0010

1.500

0.015

1.000

0.550

0.091

L1220-13SL 3/4"

0.7508

0.0010

1.2500

0.0010

1.625

0.015

1.062

0.612

0.109

L1625-18SL 1"

1.0008

0.0010

1.5625

0.0010

2.250

0.015

1.625

1.180

0.228

L2032-21SL 1-1/4"

1.2508

0.0010

2.0000

0.0010

2.625

0.020

1.875

1.425

0.459

L2438-24SL 1.5"

1.5008

0.0015

2.3750

0.0015

3.000

0.020

2.250

1.670

0.750

L3248-32SL 2"

2.0012

0.0015

3.0000

0.0015

4.000

0.020

3.000

1.450

1.442

L4060-40SL 2.5

2.5012

0.0015

3.7500

0.0015

5.000

0.025

3.750

1.600

2.816

L4872-48SL 3"

3.0012

0.0020

4.5000

0.0020

6.000

0.030

4.500

2.190

4.914

L6496-64SL 4'

4.0042

0.0020

6.0000

0.0020

8.000

0.040

6.000

 

11.836


W dimension upon request
For Self Aligning Bearings use the suffix SA    Example:

LX 408-6 SLSA
Part Number
OPEN

Bearing
Size

Working
Bore
A

ID Bore
Tolerance

- .000
+

Outside
Diameter
B

OD
Tolerance

+ .000
-

Bearing
Length
C

Length
Tolerance

+ .000
-

Slot
Width
+.020
-.000

Distance
Between Retaining
Ring Grooves
D

Distance
Between
O-Ring
Grooves

Bearing
Weight
LBS.

LX408-6SL 1/4"

0.2505

0.0010

0.5000

0.0010

0.750

0.015

0.094

0.437

0.018

0.008

LX610-7SL 3/8"

0.3755

0.0010

0.6250

0.0010

0.875

0.015

0.156

0.562

0.260

0.013

LX814-10SL 1/2"

0.5005

0.0010

0.8750

0.0010

1.250

0.015

0.312

0.875

0.490

0.034

LX1018-12SL 5/8"

0.6255

0.0010

1.1250

0.0010

1.500

0.015

0.375

1.000

0.550

0.072

LX1220-13SL 3/4"

0.7508

0.0010

1.2500

0.0010

1.625

0.015

0.438

1.062

0.612

0.091

LX1625-18SL 1"

1.0008

0.0010

1.5625

0.0010

2.250

0.015

0.563

1.625

1.180

0.184

LX2032-21SL 1-1/4"

1.2508

0.0010

2.0000

0.0010

2.625

0.020

0.625

1.875

1.425

0.381

LX2438-24SL 1.5"

1.5008

0.0015

2.3750

0.0015

3.000

0.020

0.750

2.250

1.670

0.630

LX3248-32SL 2"

2.0012

0.0015

3.0000

0.0015

4.000

0.020

1.000

3.000

1.450

1.192

LX4060-40SL 2.5"

2.5012

0.0015

3.7500

0.0015

5.000

0.025

1.250

3.750

1.600

2.334

LX4872-48SL 3"

3.0012

0.0020

4.5000

0.0020

6.000

0.030

1.500

4.500

2.190

4.080

LX6496-64SL 4'

4.0042

0.0020

6.0000

0.0020

8.000

0.040

2.000

6.000

 

9.870