|
EGH/EGW Medium Duty Linear Slide
Series
SQUARE-TYPE
LM76
has an extensive selection of square-type and flange-type slides in
stock for immediate delivery.
We'll even pre-cut your rail sections (at no additional charge) so you
will be ready for installation when
your order arrives.
|
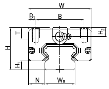
Model No. |
Dimensions of Assembly (mm) |
Dimensions of Block (mm) |
Dimensions of Rail (mm) |
|
H |
H1 |
N |
W |
B |
B1 |
C |
L1 |
L |
K1 |
G |
Mxl |
T |
H2 |
H3 |
WR |
HR |
D |
h |
d |
P |
E |
|
EGH 15SA
|
24
|
4.5
|
9.5
|
34
|
26
|
4
|
-
|
23.1
|
40.1
|
14.8
|
5.7
|
M4x6
|
6
|
5.5
|
6
|
15
|
12.5
|
6
|
4.5
|
3.5
|
60
|
20
|
|
EGH 15CA
|
24
|
4.5
|
18.5
|
34
|
26
|
4
|
26
|
39.8
|
56.8
|
10.15
|
5.7
|
M4x6
|
6
|
5.5
|
6
|
15
|
12.5
|
6
|
4.5
|
3.5
|
60
|
20
|
|
EGH 20SA
|
28
|
6
|
11
|
42
|
32
|
5
|
-
|
29
|
50
|
18.75
|
12
|
M5x7
|
7.5
|
6
|
6
|
20
|
15.5
|
9.5
|
8.5
|
6
|
60
|
20
|
|
EGH 20CA
|
28
|
6
|
11
|
42
|
32
|
5
|
32
|
48.1
|
69.1
|
12.3
|
12
|
M5x7
|
7.5
|
6
|
6
|
20
|
15.5
|
9.5
|
8.5
|
6
|
60
|
20
|
|
EGH 25SA
|
33
|
7
|
12.5
|
48
|
35
|
6.5
|
-
|
35.5
|
59.1
|
21.9
|
12
|
M6x9
|
8
|
8
|
8
|
23
|
18
|
11
|
9
|
7
|
60
|
20
|
|
EGH 25CA
|
33
|
7
|
12.5
|
48
|
35
|
6.5
|
35
|
59
|
82.6
|
16.15
|
12
|
M6x9
|
8
|
8
|
8
|
23
|
18
|
11
|
9
|
7
|
60
|
20
|
|
EGH 30SA
|
42
|
10
|
16
|
60
|
40
|
10
|
-
|
41.5
|
69.5
|
26.75
|
12
|
M8x12
|
9
|
8
|
9
|
28
|
23
|
11
|
9
|
7
|
80
|
20
|
|
EGH 30CA
|
42
|
10
|
16
|
60
|
40
|
10
|
40
|
70.1
|
98.1
|
21.05
|
12
|
M8x12
|
9
|
8
|
9
|
28
|
23
|
11
|
9
|
7
|
80
|
20
|
 |
 |
 |
 |
 |
 |
 |
 |
 |
 |
 |
 |
 |
 |
 |
 |
 |
 |
 |
 |
 |
 |
 |
|
Model No. |
Mounting
Bolt for Rail (mm) |
Basic
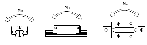
Dynamic Load Rating C(kN) |
Basic
Static Load Rating Co (kN) |
Static
Rated Moment |
Weight |
Mo
(kN-m) |
Mx
(kN-m) |
My
(kN-m) |
Block
(kg) |
Rail
(kg/m) |
|
EGH 15SA |
M3 X 16 |
5.35 |
9.40 |
0.08 |
0.04 |
0.04 |
0.09 |
1.25 |
|
EGH 15CA |
M3 X 16 |
7.83 |
16.19 |
0.13 |
0.10 |
0.10 |
0.15 |
1.25 |
|
EGH 20SA |
M5 X 16 |
7.23 |
12.74 |
0.13 |
0.06 |
0.06 |
0.15 |
2.08 |
|
EGH 20CA |
M5 X 16 |
10.31 |
21.13 |
0.22 |
0.16 |
0.16 |
0.24 |
2.08 |
|
EGH 25SA |
M6 X 20 |
11.40 |
19.50 |
0.23 |
0.12 |
0.12 |
0.25 |
2.67 |
|
EGH 25CA |
M6 X 20 |
16.27 |
32.40 |
0.38 |
0.32 |
0.32 |
0.41 |
2.67 |
|
EGH 30SA |
M6 X 25 |
16.42 |
28.10 |
0.40 |
0.21 |
0.21 |
0.45 |
4.35 |
|
EGH 30CA |
M6 X 25 |
23.70 |
47.46 |
0.68 |
0.55 |
0.55 |
0.76 |
4.35 |
|
Note: 1kg f=
9.81 N |

|